El fin del proyecto Mogul

El fin del proyecto Mogul

1 de marzo de 2022

Kevin Randle

En Understanding Roswell, volví a mirar la respuesta definitiva de la Fuerza Aérea para el accidente del ovni, que se había descartado como una matriz de globos del Proyecto Mogul “altamente clasificado”. La Fuerza Aérea, en su investigación, había eliminado todas las posibles respuestas terrestres, como lo habían hecho los investigadores civiles de ovnis en los años anteriores a que la Fuerza Aérea entrara en la arena. Sabíamos, en base a nuestra investigación, que no había habido accidentes de aeronaves, civiles, militares o experimentales. No hubo cohetes o misiles extraviados del White Sands Proving Ground y nada asociado con el 509th Bomb Group que daría cuenta de los escombros. No hubo ningún tipo de accidente nuclear que hubiera dado cuenta del alto nivel de seguridad declarado por los testigos, tanto militares como civiles. Si hubiera habido algún tipo de proyecto altamente clasificado en juego, eso habría explicado la seguridad, pero dado que todo eso sucedió hace setenta y cinco años, no habría ninguna razón legítima para mantener el secreto en el entorno actual.

Esto significa que todos nosotros, militares, civiles, interesados y desinteresados, llegamos a la misma conclusión básica sobre lo que había caído cerca de la pequeña Corona, Nuevo México, en julio de 1947. Todos estábamos de acuerdo en que algo había caído. La cuestión era la identidad del objeto que había dejado los escombros esparcidos sobre unos tres cuartos de milla de pastizales en el desierto.

La única excepción a esto fue el código de proyecto de globo clasificado llamado “Mogul”. Según la investigación de la Fuerza Aérea, este programa, diseñado para colocar un globo de nivel constante en la atmósfera superior que permita a los científicos y oficiales de inteligencia estadounidenses escuchar detonaciones atómicas en la Unión Soviética, dejó los escombros. Esta fue la razón del alto nivel de seguridad porque nadie en Washington, DC, o el Pentágono, quería que los soviéticos supieran que estábamos escuchando sus pruebas de bombas atómicas.

Si bien esto explicaría la clasificación del propósito final, eso no cubrió los experimentos en Alamogordo, Nuevo México, que comenzaron en junio de 1947. Las actividades allí, conocidas por quienes participaron en ellas como el proyecto del globo de la Universidad de Nueva York, fueron no clasificado, y, de hecho, la información sobre esas actividades se imprimió en periódicos de los Estados Unidos el 10 de julio de 1947. Esto niega el reclamo de alta seguridad en Nuevo México y la razón del secreto allí.

Phyllis McGuirePhyllis McGuire

Hay otros aspectos en esto. Según el testimonio de Phyllis McGuire, la hija adolescente del sheriff George Wilcox del condado de Chaves, Nuevo México, cuando el ranchero Mack Brazel apareció en la oficina de Roswell, ella estaba allí. La familia Wilcox vivía encima de la oficina del sheriff. Informó que Brazel le contó al sheriff sobre los extraños restos de metal que había encontrado en uno de los campos del rancho que administraba. Más importante aún, mencionó que Brazel había traído muestras de los escombros con él.

Si bien hay quienes sugerirían que la hija adolescente que revela esto décadas después podría no ser la fuente más confiable, existe una corroboración para esto. El general Thomas DuBose, Jefe de Estado Mayor de la Octava Fuerza Aérea en Fort Worth en 1947, entrevistado por Don Schmitt y otros, dijo que extraños restos metálicos descubiertos por Brazel fueron enviados en un vuelo especial a Fort Worth.

Según DuBose, los escombros fueron llevados a Fort Worth “dos o tres días antes”, lo que significa, por supuesto, dos o tres días antes del anuncio del 8 de julio de que se había capturado un “platillo volador”. Fue DuBose quien alertó a los de Washington de que se había encontrado algo y fue DuBose quien recibió órdenes del mayor general Clements McMullen de llevar una muestra de esos escombros a Washington, en algún momento del domingo 6 de julio.

BG Thomas DuBoseBG Thomas Dubose

En una entrevista grabada, DuBose dijo: “Él [McMullen] me llamó y dijo que yo estaba, se habló de algunos elementos que se habían encontrado en el suelo en las afueras de Roswell, Nuevo México. Que los escombros o los elementos debían colocarse en un contenedor adecuado, y Blanchard debía asegurarse de que fueran entregados… y [el coronel] Al Clark… los recogería y los entregaría personalmente a McMullen en Washington. Nadie, y debo enfatizar esto, nadie debía discutirlo con sus esposas, yo con Ramey, con nadie”.

DuBose luego llamó a Blanchard y le transmitió las instrucciones. En ese momento, las muestras de los escombros que Brazel había llevado a la Oficina del Sheriff del condado de Chaves, y mencionadas por Phyllis McGuire, fueron tomadas, bajo las órdenes de Blanchard, al campo aéreo del ejército de Roswell y, finalmente, a Fort Worth.

Todo esto sugiere que los oficiales del Campo Aéreo del Ejército de Roswell no pudieron identificar el material como los restos de un globo meteorológico y un objetivo de radar sin procesar. No había nada especial en el globo meteorológico que hubiera engañado a cualquiera que lo hubiera visto.

Wilcox pensó lo suficiente en la historia de Brazel y envió a dos agentes al área del accidente. Brazel les dio instrucciones, pero dada la naturaleza del terreno y la distancia de Roswell, los agentes no pudieron encontrar el campo, aunque sí encontraron una gran área circular quemada al norte de la ciudad.

Wilcox, que no pudo identificar los escombros, llamó al Campo Aéreo del Ejército de Roswell para informar lo que había encontrado el ranchero. La llamada finalmente llegó al Mayor Jesse A. Marcel, Sr., el Oficial de Inteligencia Aérea. Condujo desde la base hasta la oficina del alguacil donde se reunió con Brazel y le mostraron los escombros que Brazel había traído consigo.

Aparentemente, Marcel no pudo identificar el material y pensó que era lo suficientemente extraño como para investigar más a fondo. En consulta con el comandante de la base, el coronel William Blanchard, se decidió que Marcel debería acompañar a Brazel de regreso al rancho. Blanchard mencionó que la base acababa de adquirir una oficina de contrainteligencia. Pensó que Marcel debería llevar al capitán Sheridan Cavitt, el oficial a cargo de esa oficina, al rancho.

Marcel, había regresado a la base, recogió a Cavitt y luego se dirigió a la oficina del alguacil. Con Brazel a la cabeza, el pequeño convoy, Brazel en su camioneta, Marcel en su Buick y Cavitt en un Jeep Carryall, llegó demasiado tarde para hacer algo. Pasaron la noche en una pequeña casa y, según Marcel, cenaron más tarde frijoles.

A la mañana siguiente, Brazel, Marcel y Cavitt se dirigieron al campo de escombros. Marcel dijo que tenía unos tres cuartos de milla de largo y de doscientas a trescientas yardas de ancho. Cavitt le diría al investigador de la Fuerza Aérea, el coronel Richard Weaver en 1994, que era mucho más pequeño, no más grande que una habitación grande en una casa. Más importante aún, Cavitt le diría a Weaver que en el momento en que vio el material, lo reconoció como restos de globos. Weaver no preguntó, y Cavitt no explicó, por qué no le había dicho esto a Marcel, ni por qué no se lo mencionó a Blanchard cuando regresó a la base.

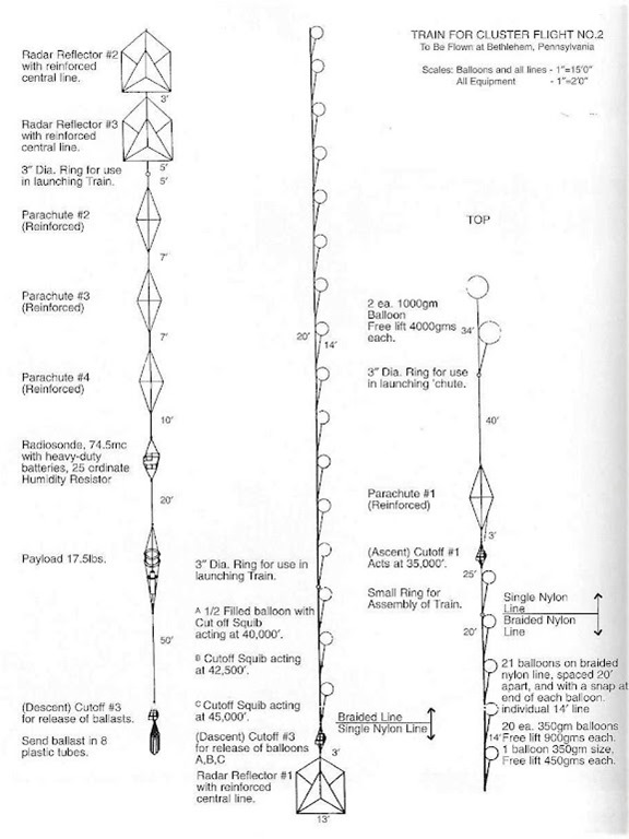
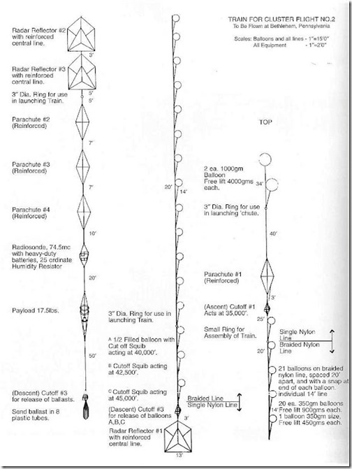
Mogul Array #2La afirmación con subtítulos engañosos de que esta matriz, incluidos los objetivos de radar Rawin, fue lanzada por científicos de la Universidad de Nueva York el 4 de junio de 1947. Este fue en realidad el Vuelo No. 2, volado en la costa Este. Los conjuntos lanzados en Nuevo México eran un tercio más cortos y no llevaban blancos crudos.

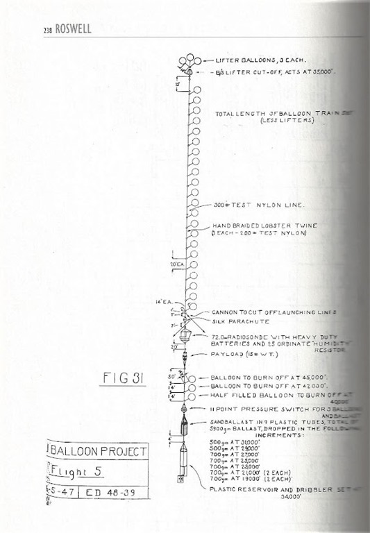
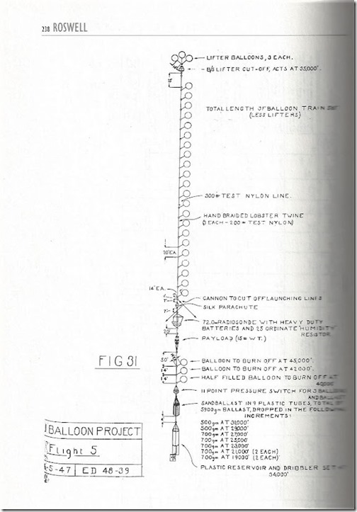
Mogul Array #5La composición real de los trenes de matriz volados en Nuevo México. El vuelo No. 4 había sido cancelado, pero el vuelo No. 5, designado como el primer vuelo exitoso, fue lanzado el 5 de junio de 1947. No hay evidencia de que se usaron objetivos rawin en él o en la mayoría de los vuelos posteriores

Ahí está el otro problema importante. Cavitt no explicó por qué lo habían engañado los escombros en Roswell, pero los reconoció una vez que llegó al rancho. Si los escombros hubieran sido parte del Proyecto Mogul, que estaba compuesto por globos meteorológicos comerciales y objetivos de radar sin procesar, no hay razón para que haya engañado a Brazel, Wilcox y Marcel. Si hubiera sido parte del Proyecto Mogul, y reconocido como restos de globos, no hay motivo para que el viaje al rancho y la limpieza no hubiera sido tan difícil.

Todavía hay otro aspecto importante en todo esto. Los globos del Proyecto Mogul se lanzaron desde el Campo Aéreo del Ejército de Alamogordo. El Dr. Albert Crary, el hombre a cargo de los experimentos en Nuevo México, mantuvo registros de los lanzamientos, y ese registro de sus notas de campo, entradas de diario e informe final están disponibles tanto en línea como en el informe masivo de la Fuerza Aérea del caso Roswell. Con base en todos esos datos, sabemos que todos los vuelos de Mogul anteriores al 6 de julio, que es la fecha en que Brazel condujo a Roswell, se contabilizaron con la excepción del vuelo n.° 4, cuyo lanzamiento estaba programado para el 3 de junio, pero pospuesto hasta el 4 de junio. Se hizo otro intento a la mañana siguiente. La entrada de Crary para este intento decía:

4 de junio miércoles

Salió a Tularosa Range y disparó cargas entre las 00 y las 06 de la mañana. Ningún vuelo en globo de nuevo a causa de las nubes. Volé un micrófono de sonoboya regular en un grupo de globos y tuve buena suerte en el receptor en tierra pero mala en el avión. Fuera con Thompson pm. Cargas de tiro 1800 a 2400.

Esto proporcionó el momento de los hechos en Alamogordo, y debido a las regulaciones bajo las cuales operaban, se vieron obligados a cancelar el vuelo. No hay nada ambiguo en la documentación. El vuelo No. 4 fue cancelado. Más tarde esa mañana, volaron un grupo de globos con una sonoboya, pero no se trataba de un conjunto Mogul completo y no había evidencia de que el grupo de globos alguna vez abandonara el área de Alamogordo.

Para llevar esto un paso más allá, un examen de la documentación disponible en las notas de Crary mostró que no estaban usando los objetivos de radar rawin en esta etapa de su investigación. El vuelo No. 5, que voló al día siguiente, 5 de junio, no tenía ningún objetivo de radar, según las ilustraciones disponibles en los informes finales. Si no había objetivos rawin adjuntos al vuelo, entonces, ¿dónde se originó el rawin que se mostró en la oficina del general Ramey? Y, si no hubo objetivos crudos, ¿entonces esa fotografía tomada en la oficina de Ramey no es evidencia de un encubrimiento?

Hay imágenes de una matriz en preparación que muestran los objetivos del radar rawin como parte del ensamblaje, pero esa fotografía fue tomada el 22 de julio de 1948, más de un año después del accidente en Roswell. Otra fotografía, publicada el 10 de julio de 1947, muestra el lanzamiento de los dos globos, con un solo blanco adjunto.

Aquí es donde estamos. El lanzamiento del Vuelo No. 4 del 4 de junio de 1947 fue cancelado según la documentación. Más tarde en el día, hubo el lanzamiento de un grupo de globos, pero no fue una serie completa. Estaba compuesto por los globos ya inflados y una sonoboya para probar la recepción de radio. No hay evidencia de que salió del área de Alamogordo y no hay evidencia de que contuviera un objetivo de radar rawin. Sin el Vuelo No. 4, falla la explicación de una matriz de globos Mogul que representa los escombros encontrados por Mack Brazel.

Mogul Balloons on Ground with DateUna supuesta matriz Mogul que se prepara para el vuelo. Este fue lanzado más de un año después del cancelado 4 de junio, Mogul Flight No. 4.

Mogul Balloons on Ground Date Only La fecha en que se tomó la fotografía, 22 de julio de 1948.

La documentación, provista en varias notas de campo, anotaciones en el diario y otras pruebas, muestra que los objetivos en bruto no formaban parte de los conjuntos que se lanzaron en Nuevo México, y si no había tales objetivos, entonces la explicación del globo falla también en ese punto.

Aunque la Fuerza Aérea afirmó que el Proyecto Mogul era altamente clasificado y eso explicaría que aquellos en Roswell no pudieran identificar el globo es engañoso. Se clasificó el propósito final, pero no el trabajo que se estaba realizando en Nuevo México. Los artículos periodísticos publicados el 10 de julio de 1947 prueban que esta afirmación es falsa.

Con la eliminación de la explicación de Mogul, basada en la abrumadora evidencia de que el Vuelo No. 4 fue cancelado, no hay una explicación terrestre de lo que cayó en el rancho administrado por Brazel. Recuerde, la Fuerza Aérea eliminó todas las demás explicaciones mundanas antes de decidirse por Mogul. Podría haber, en algún lugar, un proyecto súper secreto que daría cuenta de los escombros, pero nadie lo ha identificado todavía, y es difícil creer que la revelación de tal programa afectaría negativamente la seguridad nacional en el mundo de hoy. Si hubiera habido tal explicación, la Fuerza Aérea la habría utilizado hace años y el caso Roswell se habría resuelto.

Hasta que, ya menos que, se revele dicho programa o proyecto y se pueda demostrar que dispersó los escombros en Nuevo México, la única conclusión que se puede sacar es que se desconoce lo que cayó ese día. Para muchos, eso lleva directamente a lo extraterrestre. La falta de evidencia de lo terrestre sugiere algo extraño. ¿Es suficiente para probar el caso? Eso depende del individuo, pero es la explicación más lógica en este momento.

http://kevinrandle.blogspot.com/2022/03/the-end-of-project-mogul.html

Deja una respuesta

Tu dirección de correo electrónico no será publicada. Los campos obligatorios están marcados con *